动环监控 动环监控&空调控制
19年经验-全国办事处覆盖-源头厂家

机房动力环境监控新闻快讯
普通空调控制实现原理 二
返回列表 来源: 纵横通品牌 发布日期: 2021.10.24 浏览: 1

   本文是普通空调控制实现原理的第二篇,也是最后一篇。

   在上一个文章我们讨论了空调控制的可能性。通过以上方式我们可以完全的监控空调,单也存在不严谨性,如电路板执行单元故障,虽然通过主控完成了对控制器的监视,但是设备还是处于非完全监控状态。

    故我们在针对普通空调控制可以在执行回路上加上电压检测,及电流检测。在可行性运行情况先我们加装支路电压电流检测模块,可以很好的监控支路执行情况,即在RLY1-6执行端加上电压检测,执行端前端加上电流检测。这样既可以精确监控,还可以细化空调运行参数,配合后端大平台实现精确控温。

空调控制

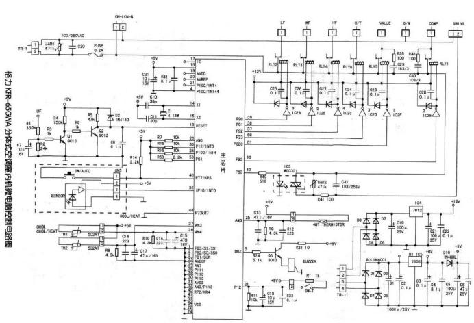
格力空调KFR电路图

   空调控制方面目前我们可以继续使用红外控制方式,因为红外控制有很好的适配性,在不通厂家的空调上均可很好适配,且红外控制对于实时来说很容易实现。

   在空调自身检测回路上我们同样可以将数据引用过来,毕竟完全脱离空调自身监视还是容易和空调不同步。如空调自身的吸入排出气流温度监控,压缩机温度监控这些我们均可以接入进监视系统里面。实现对空调的完全监控。

   关于普通空调控制的实现原理大致就分析到这里了,针对一些细节性的问题我会进行测试以及继续完善,在保证操作的准确无误后,后续对精密空调的相关原理进行分析。